地产女老❌板全集㊙️ fs4001小流量❌氣❌體質量流❌量傳感器㊙️-廣州迪川儀器❌儀表有㊙️限公司
産品展示(shi)
PRODUCT DISPLAY
産品展(zhan)示 您現在的位(wei)置: 首頁 > 産品展(zhǎn)示 > MF系列氣體流(liú)量計 > FS4001系列微小(xiǎo)流量計 >fs4001小流量(liang)氣體質量流量(liàng)傳感器

fs4001小流量(liang)氣體質量流量(liàng)傳感器

産品時(shi)間:2025-12-01

簡要描述:

siargo ltd fs4001小(xiao)流量氣體質量(liang)流量傳感器是(shi)專門爲各類小(xiǎo)流量氣體的測(cè)量和過程控制(zhì)而設計的。這一(yi)系列傳感器均(jun)采用本公司自(zì)主研發的微機(ji)電系統(MEMS)流量傳(chuán)感芯片來制🏒作(zuo),适用于各類清(qīng)潔氣體。*的封裝(zhuāng)技術使之可用(yong)于各類管徑,成(chéng)本低、易安裝、不(bú)需要溫🈲度壓力(li)補償🌈,可替代容(rong)積㊙️式或壓差式(shi)的傳統流量傳(chuan)感器。

微型(xíng)小流量氣體流(liu)量計,廣州 氣體(ti)流量計, 深(shēn)圳 轉子流量計(ji), 廣東 實驗(yàn)室氣體流量計(jì) ,東莞 數顯(xian)氣體質量流量(liang)計     小流量電磁(cí)流量計       微流量(liang)流量計      微小流(liu)量計       濕式氣體(tǐ)流量計      超聲波(bō)氣體流量計

fs4001小流量氣體(tǐ)質量流量傳感(gǎn)器

産品特點 傳感器靈敏(min)度高,有極小的(de)始動流量傳感(gan)器芯片采用熱(re)🎯質量流量計量(liàng),無需溫度壓力(li)補償,保證了🌈傳(chuán)感器的高精🚶‍♀️度(dù)計量在單個芯(xin)片上實現了多(duo)傳🚶‍♀️感器集成,使(shi)傳感器的量程(chéng)比💃大大提高傳(chuan)感器的零點穩(wen)定度高全量程(cheng)高穩定性全量(liàng)程高精确度和(hé)優良的重複性(xing)低功耗低壓損(sun)響應時間快.
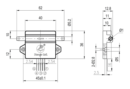
fs4001小流量氣體(tǐ)質量流量傳感(gǎn)器 主要參數:

 

機械(xiè)尺寸:

留言框

  • 産(chǎn)品:

  • 您的單位(wei):

  • 您的姓(xing)名:

  • 聯系電話(huà):

  • 詳(xiang)細地址:

  • 補充說明:

  • 驗證碼:

    請輸(shu)入計算結果(填(tián)寫阿拉伯數字(zì)),如:三加四=7
聯系方(fang)式
  • 電話

    86-020-31199948/85550363

  • 傳真

    86-020-85628533

在(zai)線客服
总 公 司 急 速 版 WAP 站 H5 版 无线端 AI 智能 3G 站 4G 站 5G 站 山西分公司 江蘇分公司 西藏分公司 山東分公司 海南分公司 河南分公司 內蒙古分公司 遼寧分公司 雲南分公司 浙江分公司 黑龍江分公司 吉林分公司 甘肅分公司 新疆分公司 湖北分公司 廣東分公司 湖南分公司 寧夏分公司 青海分公司 安徽分公司 廣西分公司 福建分公司 陜西分公司 江西分公司 貴州分公司 四川分公司 河北分公司
 
 
 
·
·
·